- 產品名稱:精密壓力表
- 產品型號:YB系列
- 產品銘牌:SAIC
- 生產廠商:上海自動化儀表四廠
- 銷售單位:連儀
- 所屬類別:生產廠家 > 上海自動化儀表四廠 > 產品目錄 > 產品展示 > 精密壓力表 > YB系列精密壓力表 >
-
YB系列精密壓力表概述: 精密壓力表主要用來校驗工業用普通壓力表也可用于精密測量對銅合金和合金結構鋼等無腐蝕性、非結晶、非凝固的各種介質的壓力。YB-150A型在標度線下設由鏡面環,使一表讀數更清晰準確,外形美麗新穎。準確度為0.4級。YB-150B型在標度線下設由鏡面環,并帶有調零裝置。準確度為0.25級
YB系列精密壓力表概述: 精密壓力表主要用來校驗工業用普通壓力表也可用于精密測量對銅合金和合金結構鋼等無腐蝕性、非結晶、非凝固的各種介質的壓力。YB-150A型在標度線下設由鏡面環,使一表讀數更清晰準確,外形美麗新穎。準確度為0.4級。YB-150B型在標度線下設由鏡面環,并帶有調零裝置。準確度為0.25級
精密壓力表主要技術指標
準確度:0.4級、0.25級
使用環境條件:5℃~40℃;相對濕度不大于80%且震動和壓力源的波動應對儀表的精確讀數無影響。
溫度影響:使用環境溫度如偏離20±3℃(A型)或20±2℃(B型)時,則須考慮溫度附加誤差0.4%10℃
| 彈簧管材料 | 測量范圍MPa |
| 錫磷銅管 | -0.1~0 0~0.1;0~0.16;0~0.25 0~0.4;0~0.6;0~1 0~1.6;0~2.5;0~4;0~6 |
| 鉻釩鋼 | 0~10;0~16 0~25;0~40;0~60 |
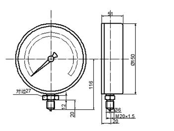
精密壓力表外形尺寸


精密壓力表使用須知:
1.儀表應垂直安裝,并力求與測量點間保持同一水平位置,否則須相應地計入液位差所引起的附加誤差。
2.儀表使用環境溫度如偏離20℃±2℃(0.25)或20℃±3℃(0.4)時,則須考慮溫度附加誤差。
3.儀表經常使用的壓力應為其分度上限的2/3為宜。
4.儀表定期維修時如確需開啟表蓋著,宜借助專用工具進行。有零位鎖緊、固定裝置的儀表,必須在使用環境溫度下放置2小時以上使用,有調零裝置的,可進行調零后使用。
上一篇:YB-150A精密壓力表
下一篇:無
相關產品:







